Suzuki

Suzuki

Här hittar du powertrim/riggdelar till din Suzuki fyrtakts utombordare.

HÄR   länk till Suzukis riggingkatalog

Läs mer
  • Bricka riggrör Suzuki DF 25 - DF 30 hk, ej A-modeller samt DF 40 A - DF 60 A,...
    Art nr. 09160-39002
    50,00 SEK
  • Bricka riggrör Suzuki DF 25 - DF 30 hk, ej A-modeller samt DF 40 A - DF 60 A,...
    Art nr. 09160-39003
    50,00 SEK
  • Bussning riggrör Suzuki DF 25 - DF 30 hk, ej A-modeller samt DF 40 A - DF 60 ...
    Art nr. 43711-89J10
    216,25 SEK
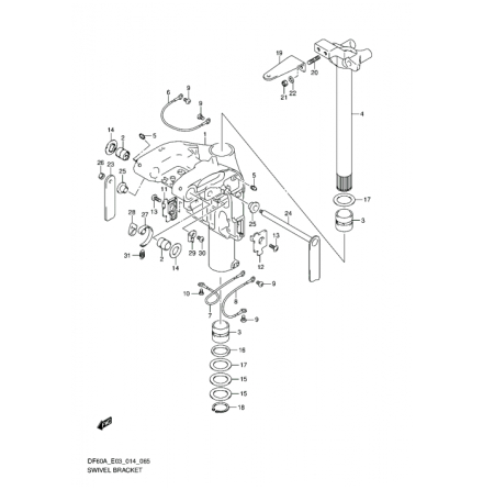
  • Bussning styrrör Suzuki DF 40 A - DF 60 A hk, 4-takt Se sprängskiss för rätt...
    Art nr. 43211-88L00
    133,75 SEK
  • Övre motorbussning Suzuki DF 40 A - DF 60 A, 4-takt Nr 18 i bild  Se spräng...
    Art nr. 54130-88L00
    736,25 SEK
  • Trimknapp Suzuki DF 9,9 B - DF 20 A, 4-takt, rorkult trimmodeller Se sprängs...
    Art nr. 37850-94JA3
    711,25 SEK
  • Nylonbussning rigg/växling Suzuki DF 25 - DF 30 hk, ej A-modell, DF 40 A - DF...
    Art nr. 41226-97E00
    87,50 SEK
  • Bussning fjäderlåsn. för grundsmyg Suzuki DF 4 A - DF 6 A, 4-takt Nr 18 i bi...
    Art nr. 09180-05067
    38,75 SEK
  • Aktre riggdel Suzuki DF 4 A - DF 6 A, 4-takt Nr 3 i bild, svart Se sprängsk...
    Art nr. 43121-97L00-YAY
    1 687,50 SEK
  • Främre riggdel Suzuki DF 4 A - DF 6 A, 4-takt Nr 2 i bild, svart Se sprängs...
    Art nr. 43111-97L00-YAY
    1 758,75 SEK
  • Övre låspinne trim Suzuki DF 100 A - DF 300 A, 4-takt flera modeller Se sprä...
    Art nr. 48321-87D03
    403,75 SEK
  • Mutter Suzuki, sitter på olika ställen i DF 20 A - DF 300 A, 4-takt flera mod...
    Art nr. 09159-12014
    66,25 SEK
  • Bricka Suzuki, sitter på olika ställen i DF 20 A - DF 350 A, 4-takt flera mod...
    Art nr. 09160-12066
    25,13 SEK
  • Nippel, anslutning, vattenretur Suzuki DF 150 - DF 200 hk, 4-takt vissa model...
    Art nr. 51170-96J01
    172,50 SEK
  • Bult flera modeller Suzuki DF - 4-takt Se sprängskiss för rätt del och antal...
    Art nr. 09116-06236
    30,00 SEK
  • Bussning rigg Suzuki DF 9,9 B - DF 20 A, 4-takt X-tra lång rigg Nr 19 i bild...
    Art nr. 09320-13022
    120,00 SEK
  • Tätsats powertrimcylinder vissa Suzuki DF 200 - DF 300 hk, 4-takt flera model...
    Art nr. 48125-93J00
    456,25 SEK
  • Bult Suzuki, sitter i rigg/trim flera modeller DF 40 - DF 350 hk, 4-takt Se ...
    Art nr. 09116-10179
    175,00 SEK
  • Upphängning Suzuki DF 2,5 hk, 4-takt flera modeller Se sprängskiss för rätt ...
    Art nr. 43111-97J31-0EP
    567,50 SEK
  • Upphängning Suzuki DF 2,5 hk, 4-takt flera modeller Se sprängskiss för rätt ...
    Art nr. 43110-97J31-0EP
    930,00 SEK
  • Upphängningsbygel Suzuki DF 2,5 hk, 4-takt flera äldre modeller Se sprängski...
    Art nr. 41111-97J31-0EP
    812,50 SEK
  • Upphängningsbygel Suzuki DF 2,5 hk, 4-takt flera modeller Se sprängskiss för...
    Art nr. 41111-97J31-YAY
    675,00 SEK
  • Stopp riggpinne Suzuki DF 8 A - DF 30 A, 4-takt flera modeller Se sprängskis...
    Art nr. 45425-94J01
    12,50 SEK
  • Trimgivararm,  Suzuki DF 40 A - DF 60 A - DF 70 A - DF 90 A, 4-takt. Vissa t...
    Art nr. 34841-87L00
    95,00 SEK
  • Trimgivare, utan arm köps separat, Suzuki DF 40 A - DF 60 A - DF 70 A - DF 90...
    Art nr. 34840-87L01
    3 703,75 SEK
  • Styrrör Suzuki DF 70 A - DF 90 A - DF 100 B, 4-takt flera modeller Se spräng...
    Art nr. 41130-87L20
    3 402,50 SEK
  • Låsmutter för styrrör Suzuki DF 8 A - DF 350 A, 4-takt flera modeller Se spr...
    Art nr. 09159-22006
    338,75 SEK
  • Bussning tiltlås Suzuki DF 8 A - DF 20 A, 4-takt flera modeller Se sprängski...
    Art nr. 59315-94J00
    7,50 SEK
  • Bussning riggrör Suzuki DF 8 A - DF 9,9 A, 208 cc, 4-takt Se sprängskiss för...
    Art nr. 43211-99J00
    80,00 SEK
  • Bricka Suzuki - sitter i flare motorer, på flera olika ställen Se sprängskis...
    Art nr. 09160-06082
    23,75 SEK
  • Bussning riggrör Suzuki DF 8 A - DF 20 A, 4-takt flera modeller Se sprängski...
    Art nr. 43711-99J00
    50,00 SEK
  • Bussning styrarm Suzuki DF 8 A - DF 30 A, 4-takt flera modeller Se sprängski...
    Art nr. 43211-87JL0
    228,75 SEK
  • Elmotor trim Suzuki DF 70 A - DF 90 A samt DF 100 B vissa modeller 2010 t.o.m...
    Art nr. 38100-87L04
    6 438,75 SEK
  • Packbox rigg Suzuki DF 8 A - DF 9,9 A, 208 cc, 4-takt Se sprängskiss för rät...
    Art nr. 09282-12017
    91,25 SEK
  • Skruv fastlåsning motor Suzuki DF 8 A - DF 20 A, 4-takt flera modeller Se sp...
    Art nr. 41211-99JL0
    291,25 SEK
  • Låsbygel backspärr Suzuki DF 8 A - DF 9,9 A samt DF 9,9 B - DF 20 A., 4-takt ...
    Art nr. 45241-89L00
    410,00 SEK
Totalt 288 poster
Sida 7 av 8
1 2 3 4 5 6 7 8